1 / 5
An Easy to Operate Welding Robot or Welding Machine
Our APEX series collaborative robots are exceptionally easy to operate. Users can manually move the robot to record specific points to initiate the welding process, eliminating the need for a complex teaching device. These robots are fast, highly accurate, and offer flexible installation options. They can be relocated at any time, making them ideal for small batches, multiple product types, and long-term industrial operations.
| Feature | DNP-IR1603-10-B | DNP-IR2000-10-B |
|---|---|---|
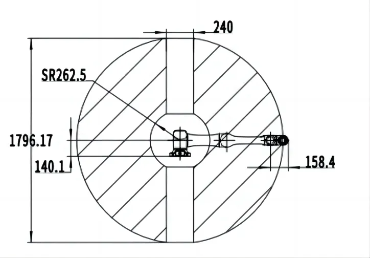
| Maximum Working Radius | 1602mm | 2008mm |
| Load Capacity | 10KG | 10KG |
| Accuracy | ±0.05mm | ±0.05mm |
| Maximum Speed | 4900mm/s | 4900mm/s |
| Power Rating | 260W | 260W |
| Protection Level | IP54 | IP54 |
| Weight | 225kg | 328kg |












